Même si le câblage d’un réseau miniature alimenté en numérique (DCC) peut se résumer à 2 fils, on s’aperçoit vite que le nombre de câbles peut être plus important si on souhaite automatiser et donc détecter les convois. Différentes solutions existent du module “ready to use” aux modules à monter.
Le module électronique présenté ci-dessous reprend le principe exposé sur le site de Jean-Paul Zimmerman. La détection est basée sur la détection par diode, un grand classique qui fait ses preuves depuis de très nombreuses décennies. Merci à Marcel pour ses conseils avisés.
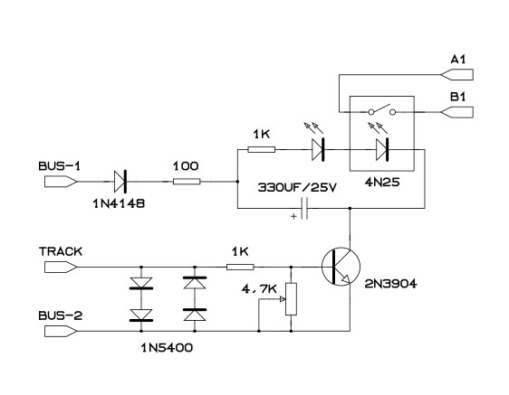
Le schéma de principe

La liste des composants
1) Circuit de détection
– Borniers à vis au pas de 5,08mm (3), 2
– Diode 1N5400, 4
– Diode 1N4148, 1
– Résistance 100 ohms, 1
– Résistance 1 Kohms, 2
– Résistance ajustable 4,7 Kohms, 1
– LED 3mm, 1
– Transistor 2N3904, 1
– Opto-coupleur 4N25, 1
– Condensateur 330uF/25V, 1
– Résistance 10 Kohms, 1
Une diode 1N5400 permet le passage d’un courant de 3A. Si nécessaire, il faudra la remplacer par une diode permettant le passage d’un courant de 5 (BY550) voire de 8A. La valeur du condensateur peut être modifiée pour ajuster le délai de maintien de la détection. Le circuit imprimé peut recevoir un condensateur au pas de 3,58 ou de 5,04mm.
2) Circuit dit de compensation
– Borniers à vis au pas de 5,08mm (2), 1
– Diode 1N5400, 4
Afin d’obtenir le même niveau de tension sur chaque voie (une diode baisse la tension d’environ 0,7V), il est impératif d’installer ce circuit dit de compensation en lieu et place d’un circuit de détection (Cf. Allan Gartner) si aucune détection n’est utile.
Principe de fonctionnement
Remarque: le circuit a été conçu avec un état activé à zéro. À l’inverse de l’état haut, l’état bas (zéro) est unique.

Aucun convoi n’est présent sur le canton, aucune consommation de courant (une résistance de 10 Kohms peut simuler un convoi) ne sera détectée, la sortie Arduino sera à 1. La LED sera éteinte. En cas de présence, donc en cas de détection, la sortie sera à 0. La LED sera allumée. La résistance ajustable de 4,7 Kohms permet d’ajuster la sensibilité du circuit.
Le circuit imprimé (version 300dpi disponible sur demande)

Les modules

NB: Les informations citées et les explications données ont été vérifiées mais je ne suis pas électronicien de formation. Je dégage toute responsabilité quant à l’exactitude des informations citées dans cet article.
Je dégage toute responsabilité quant à la réalisation et l’utilisation des montages électriques et électroniques présentés dans cet article. Il appartient au lecteur d’agir avec prudence lorsqu’il s’agit d’utiliser tout dispositif électrique.
Par extension, ces déclarations sont applicables aux autres articles de ce site.